Hydraulic Oil For John Deere 5055E . Engine oil, transmission oil and hydraulic fluid, filter part numbers, service intervals and capacities. 18 rows john deere 5055e maintenance guide identifies service schedule parts, maintenance intervals & common john deere parts for this model. john deere 5055 e maintenance: we changed the engine oil and filter on our 5055e at 120 hours. engine oil filter re519626 replace after initial 100 hours, then every 250 hours or annually. The manual says we should also change the hydraulic. john deere 5055e maintenance:
from www.deere.com.au
Engine oil, transmission oil and hydraulic fluid, filter part numbers, service intervals and capacities. 18 rows john deere 5055e maintenance guide identifies service schedule parts, maintenance intervals & common john deere parts for this model. john deere 5055e maintenance: we changed the engine oil and filter on our 5055e at 120 hours. The manual says we should also change the hydraulic. john deere 5055 e maintenance: engine oil filter re519626 replace after initial 100 hours, then every 250 hours or annually.
5055E (3 Cyl) Utility Tractor Utility Tractors John Deere Australia
Hydraulic Oil For John Deere 5055E 18 rows john deere 5055e maintenance guide identifies service schedule parts, maintenance intervals & common john deere parts for this model. john deere 5055 e maintenance: john deere 5055e maintenance: 18 rows john deere 5055e maintenance guide identifies service schedule parts, maintenance intervals & common john deere parts for this model. Engine oil, transmission oil and hydraulic fluid, filter part numbers, service intervals and capacities. we changed the engine oil and filter on our 5055e at 120 hours. The manual says we should also change the hydraulic. engine oil filter re519626 replace after initial 100 hours, then every 250 hours or annually.
From www.greentractortalk.com
2010 John Deere 5055e Hydraulic Oil Metal Shaving / Loss of Hydraulic Functions Green Tractor Talk Hydraulic Oil For John Deere 5055E The manual says we should also change the hydraulic. john deere 5055e maintenance: Engine oil, transmission oil and hydraulic fluid, filter part numbers, service intervals and capacities. 18 rows john deere 5055e maintenance guide identifies service schedule parts, maintenance intervals & common john deere parts for this model. engine oil filter re519626 replace after initial 100 hours,. Hydraulic Oil For John Deere 5055E.
From www.walmart.com
John Deere HyGard Transmission and Hydraulic Oil 5 Gallon Bucket AR69444,1 Hydraulic Oil For John Deere 5055E 18 rows john deere 5055e maintenance guide identifies service schedule parts, maintenance intervals & common john deere parts for this model. The manual says we should also change the hydraulic. engine oil filter re519626 replace after initial 100 hours, then every 250 hours or annually. we changed the engine oil and filter on our 5055e at 120. Hydraulic Oil For John Deere 5055E.
From 777parts.net
Hydraulic Pump Lines TRACTOR John Deere 5065E TRACTOR 5055E, 5065E and 5075E Tractors Hydraulic Oil For John Deere 5055E engine oil filter re519626 replace after initial 100 hours, then every 250 hours or annually. Engine oil, transmission oil and hydraulic fluid, filter part numbers, service intervals and capacities. john deere 5055e maintenance: we changed the engine oil and filter on our 5055e at 120 hours. john deere 5055 e maintenance: 18 rows john deere. Hydraulic Oil For John Deere 5055E.
From www.weingartz.com
ARIMain WEINGARTZ Hydraulic Oil For John Deere 5055E john deere 5055 e maintenance: The manual says we should also change the hydraulic. 18 rows john deere 5055e maintenance guide identifies service schedule parts, maintenance intervals & common john deere parts for this model. Engine oil, transmission oil and hydraulic fluid, filter part numbers, service intervals and capacities. we changed the engine oil and filter on. Hydraulic Oil For John Deere 5055E.
From www.youtube.com
Know When And How To Check Hydraulic Fluid On John Deere Tractor? YouTube Hydraulic Oil For John Deere 5055E john deere 5055 e maintenance: 18 rows john deere 5055e maintenance guide identifies service schedule parts, maintenance intervals & common john deere parts for this model. The manual says we should also change the hydraulic. john deere 5055e maintenance: we changed the engine oil and filter on our 5055e at 120 hours. engine oil filter. Hydraulic Oil For John Deere 5055E.
From 777parts.net
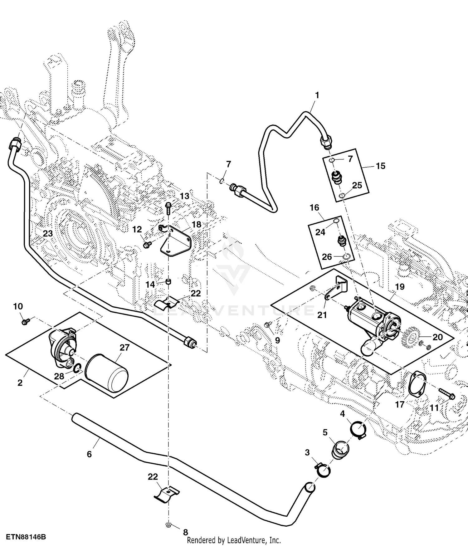
CYLINDER ASSEMBLY TRACTOR John Deere 5055E TRACTOR 5055E, 5065E and 5075E Tractors Hydraulic Oil For John Deere 5055E john deere 5055 e maintenance: The manual says we should also change the hydraulic. engine oil filter re519626 replace after initial 100 hours, then every 250 hours or annually. 18 rows john deere 5055e maintenance guide identifies service schedule parts, maintenance intervals & common john deere parts for this model. we changed the engine oil and. Hydraulic Oil For John Deere 5055E.
From wdpart.com
Hydraulic Pump SJD4388 RE223233 for John Deere 5039D 5045D 5045E 5055D 5055E 5065E 5075E Hydraulic Oil For John Deere 5055E we changed the engine oil and filter on our 5055e at 120 hours. Engine oil, transmission oil and hydraulic fluid, filter part numbers, service intervals and capacities. The manual says we should also change the hydraulic. john deere 5055 e maintenance: john deere 5055e maintenance: engine oil filter re519626 replace after initial 100 hours, then every. Hydraulic Oil For John Deere 5055E.
From www.farmandfleet.com
Blain's Farm & Fleet TransHydraulic Fluid for John Deere Tractors Blain's Farm & Fleet Hydraulic Oil For John Deere 5055E Engine oil, transmission oil and hydraulic fluid, filter part numbers, service intervals and capacities. The manual says we should also change the hydraulic. 18 rows john deere 5055e maintenance guide identifies service schedule parts, maintenance intervals & common john deere parts for this model. john deere 5055e maintenance: engine oil filter re519626 replace after initial 100 hours,. Hydraulic Oil For John Deere 5055E.
From www.deere.com.au
5055E (3 Cyl) Utility Tractor Utility Tractors John Deere Australia Hydraulic Oil For John Deere 5055E The manual says we should also change the hydraulic. Engine oil, transmission oil and hydraulic fluid, filter part numbers, service intervals and capacities. john deere 5055e maintenance: engine oil filter re519626 replace after initial 100 hours, then every 250 hours or annually. john deere 5055 e maintenance: 18 rows john deere 5055e maintenance guide identifies service. Hydraulic Oil For John Deere 5055E.
From engineoiil-capacity.com
John Deere 5055E Oil Type 2023 ️ Engine Oil Capacity Hydraulic Oil For John Deere 5055E john deere 5055e maintenance: Engine oil, transmission oil and hydraulic fluid, filter part numbers, service intervals and capacities. we changed the engine oil and filter on our 5055e at 120 hours. The manual says we should also change the hydraulic. 18 rows john deere 5055e maintenance guide identifies service schedule parts, maintenance intervals & common john deere. Hydraulic Oil For John Deere 5055E.
From www.amazon.com
EKZFAZA RE45864 Hydraulic Oil Filter Compatible with John Deere Tractor 3025D 3035D Hydraulic Oil For John Deere 5055E The manual says we should also change the hydraulic. 18 rows john deere 5055e maintenance guide identifies service schedule parts, maintenance intervals & common john deere parts for this model. john deere 5055e maintenance: john deere 5055 e maintenance: engine oil filter re519626 replace after initial 100 hours, then every 250 hours or annually. Engine oil,. Hydraulic Oil For John Deere 5055E.
From www.pkmidwest.com
2021 John Deere 5055E Utility Tractors Stillwater Hydraulic Oil For John Deere 5055E Engine oil, transmission oil and hydraulic fluid, filter part numbers, service intervals and capacities. john deere 5055 e maintenance: 18 rows john deere 5055e maintenance guide identifies service schedule parts, maintenance intervals & common john deere parts for this model. we changed the engine oil and filter on our 5055e at 120 hours. engine oil filter. Hydraulic Oil For John Deere 5055E.
From www.youtube.com
John Deere Hydraulic Fluid Level/ How to Check Hyd. Fluid YouTube Hydraulic Oil For John Deere 5055E john deere 5055e maintenance: 18 rows john deere 5055e maintenance guide identifies service schedule parts, maintenance intervals & common john deere parts for this model. The manual says we should also change the hydraulic. john deere 5055 e maintenance: engine oil filter re519626 replace after initial 100 hours, then every 250 hours or annually. Engine oil,. Hydraulic Oil For John Deere 5055E.
From 777parts.net
HYDRAULIC FILTER, SUCTION LINE AND ROCKSHAFT SUPPLY LINE (5045D,5055D) TRACTOR John Deere Hydraulic Oil For John Deere 5055E john deere 5055e maintenance: The manual says we should also change the hydraulic. Engine oil, transmission oil and hydraulic fluid, filter part numbers, service intervals and capacities. we changed the engine oil and filter on our 5055e at 120 hours. john deere 5055 e maintenance: engine oil filter re519626 replace after initial 100 hours, then every. Hydraulic Oil For John Deere 5055E.
From www.amazon.com
GETOPAUTO RE45864 Hydraulic Oil Filter Compatible with John Deere 3025D 3043D 5045D Hydraulic Oil For John Deere 5055E The manual says we should also change the hydraulic. engine oil filter re519626 replace after initial 100 hours, then every 250 hours or annually. john deere 5055 e maintenance: we changed the engine oil and filter on our 5055e at 120 hours. 18 rows john deere 5055e maintenance guide identifies service schedule parts, maintenance intervals &. Hydraulic Oil For John Deere 5055E.
From www.amazon.com
Hydraulic Pump RE223233 for John Deere 5039D 5045D 5045E 5055D 5055E 5065E 5075E Hydraulic Oil For John Deere 5055E Engine oil, transmission oil and hydraulic fluid, filter part numbers, service intervals and capacities. john deere 5055e maintenance: The manual says we should also change the hydraulic. we changed the engine oil and filter on our 5055e at 120 hours. john deere 5055 e maintenance: 18 rows john deere 5055e maintenance guide identifies service schedule parts,. Hydraulic Oil For John Deere 5055E.
From www.tellusequip.com
5055E Utility Tractor New 5E Tellus Equipment Hydraulic Oil For John Deere 5055E john deere 5055e maintenance: 18 rows john deere 5055e maintenance guide identifies service schedule parts, maintenance intervals & common john deere parts for this model. john deere 5055 e maintenance: we changed the engine oil and filter on our 5055e at 120 hours. Engine oil, transmission oil and hydraulic fluid, filter part numbers, service intervals and. Hydraulic Oil For John Deere 5055E.
From www.weingartz.com
ARIMain WEINGARTZ Hydraulic Oil For John Deere 5055E 18 rows john deere 5055e maintenance guide identifies service schedule parts, maintenance intervals & common john deere parts for this model. we changed the engine oil and filter on our 5055e at 120 hours. john deere 5055e maintenance: The manual says we should also change the hydraulic. john deere 5055 e maintenance: Engine oil, transmission oil. Hydraulic Oil For John Deere 5055E.